JBCS

13:24, Sat Nov 29

Open Access/APCs

First slide
Second slide
Third slide
Third slide
Fifth slide
Sixth slide

vol. 23, No. 3, 2012, p. 373-580

 

The Brazilian Chemical Society and the International Year of Chemistry

The International Year of Chemistry (IYC) was greatly celebrated in 2011 both in Brazil and around the world.
Chemists had a great opportunity to show their nations the variety of benefits brought by Chemistry, providing solutions so that men and women from all ages can have what is necessary for a life of quality: food, water, clothing, housing, medicines, transportation, entertainment, culture and safety.

(Read more at Editorial)


Cover Article
J. Braz. Chem. Soc. 2012, 23(3), 573-580

Evaluation of Inductively Coupled Plasma Mass Spectrometry for Determining Ca, Cu, Fe, Mg, Mn, Se and Zn in Bovine Semen Samples using a Simple Sample Dilution Method

Giovanna F. M. Aguiar; Bruno L. Batista; Jairo L. Rodrigues; Pedro O. Luccas; Fernando Barbosa Jr.

How to cite this article

Semen analysis for trace element determination is a useful tool to evaluate the sperm quality in reproduction and artificial insemination programs. The use of inductively coupled plasma spectrometry (ICP-MS) with a simple sample dilution procedure is proposed to determine Ca, Cu, Fe, Mg, Mn, Se and Zn in bovine semen and to establish reference ranges for different breeds. Details are discussed on page 573.

https://dx.doi.org/10.1590/S0103-50532012000300026

Published online: February  2, 2012
Share PDF

Total access: 1399


Editorial J. Braz. Chem. Soc. 2012, 23(3), 373-376

The Brazilian Chemical Society and the International Year of Chemistry

Angelo C. Pinto; Fernando Galembeck; Jailson B. de Andrade

How to cite this article

 

https://dx.doi.org/10.1590/S0103-50532012000300001

Total access: 1706


Articles J. Braz. Chem. Soc. 2012, 23(3), 377-384

Polypyrrole Coating Doped with Dihydrogenophosphate Ion to Protect Aluminium Against Corrosion in Sodium Chloride Medium

José Inácio Martins; Lenka Diblikova; Mohammed Bazzaoui; M.C. Nunes

How to cite this article

 

This work investigated the pyrrole electropolymerization on aluminium from phosphoric acid solutions. A mechanism is proposed to explain the protection of aluminium against corrosion by PPy coating in chloride medium

https://dx.doi.org/10.1590/S0103-50532012000300002

Published online: December 15, 2011

 

Share PDF

Total access: 1404


J. Braz. Chem. Soc. 2012, 23(3), 385-391

Monte Carlo Simulation for the Evaluation of Measurement Uncertainty of Pharmaceutical Certified Reference Materials

Werickson F. C. Rocha; Raquel Nogueira

How to cite this article

 

Uncertainty estimation is essential to ensure metrological traceability of measurement results to the International System of Units (SI). The application of the Monte Carlo method, an alternative approach to the traditional method (GUM), is demonstrated for uncertainty estimation of captopril and metronidazole mass fractions in two new certified reference materials (CRM)

https://dx.doi.org/10.1590/S0103-50532012000300003

Published online: December 20, 2011

 

Share PDF

Total access: 1315


J. Braz. Chem. Soc. 2012, 23(3), 392-402

Synthesis by Precipitation Polymerization of a Molecularly Imprinted Polymer Membrane for the Potentiometric Determination of Sertraline in Tablets and Biological Fluids

Majid Arvand; Masoumeh Hashemi

How to cite this article

 

Polymerization with the cross-linker in the presence of the complex using an initiator, and subsequent removal of the template to yield a substrate binding pocket complementary to the polymer

https://dx.doi.org/10.1590/S0103-50532012000300004

Published online: December 20, 2011

 

Share PDF

Total access: 1420


J. Braz. Chem. Soc. 2012, 23(3), 403-408

ß-Lactam Antibiotics Epitope Mapping with STD NMR Spectroscopy: a Study of Drug-Human Serum Albumin Interaction

Cíntia D. F. Milagre; Luís F. Cabeça; Wanda P. Almeida; Anita J. Marsaioli

How to cite this article

 

Herein, we investigated the interactions of four ß-lactam antibiotics belonging to two classes (cephalosporins and penicillins) with human serum albumin (HSA) by 1H STD NMR (saturation transfer difference nuclear magnetic resonance spectroscopy) reveling that the interaction between the aromatic moiety and HSA is responsible for the binding efficiency

https://dx.doi.org/10.1590/S0103-50532012000300005

Published online: December 20, 2011

 

Share PDF   Supplementary Information 

Total access: 3074


J. Braz. Chem. Soc. 2012, 23(3), 409-414

Electrospray Ionization Mass Spectrometry Fingerprinting of Extracts of the Leaves of Arrabidaea chica

Adriana L. Schiozer; Elaine C. Cabral; Luiz A. F. de Godoy; Francisco C. M. Chaves; Ronei J. Poppi; José M. Riveros; Marcos N. Eberlin; Lauro E. S. Barata

How to cite this article

 

Arrabidaea chica (crajiru) is an important Amazonian plant that is used as antimicrobial agent. Direct infusion was used to differentiate three distinct varieties via electrospray ionization mass spectrometry (ESI(+)-MS) fingerprinting. 3-Deoxyanthocyanidin cations were used as markers in the PLS-DA (partial least squares-discriminant analysis) data treatment

https://dx.doi.org/10.1590/S0103-50532012000300006

Published online: January 10, 2012

 

Share PDF   Supplementary Information 

Total access: 2587


J. Braz. Chem. Soc. 2012, 23(3), 415-425

Intercalation and Electrical Behavior of TaxMo1-xS2 (x > 0.5) Layered Mixed Disulfides

Nelson Lara; Pilar Aranda; Ana I. Ruiz; Víctor Manríquez; Eduardo Ruiz-Hitzky

How to cite this article

 

The structural and electrical behavior of three TaxMo1-xS2 phases and their intercalation products with lithium, pyridine and poly(ethylene oxide) were studied and characterized by means of X-ray powder diffractometry (XRD), thermogravimetric and differential thermal (TGA/DTA) analyses, energy dispersive X-ray fluorescence (EDX) and field emission-scanning electron microscopy (FE-SEM) techniques. The electrical conductivity was measured under a 9 T magnetic field in order to verify the occurrence of magnetoresistivity phenomena

https://dx.doi.org/10.1590/S0103-50532012000300007

Published online: January 10, 2012

 

Share PDF   Supplementary Information 

Total access: 2432


J. Braz. Chem. Soc. 2012, 23(3), 426-434

Characterization of Thermoplastic Starch/Poly(Lactic Acid) Blends Obtained by Extrusion and Thermopressing

Carmen M. O. Müller; Alfredo T. N. Pires; Fabio Yamashita

How to cite this article

 

The figure shows the micrographs of the thermoplastic starch film with 30% of PLA (M3030), not treated (a) and treated (b) with chloroform, where the phase domains can be observed

https://dx.doi.org/10.1590/S0103-50532012000300008

Published online: January 10, 2012

 

Share PDF

Total access: 1516


J. Braz. Chem. Soc. 2012, 23(3), 435-444

Development Studies of a New Metronidazole Certified Reference Material

Raquel Nogueira; Werickson F. C. Rocha; Thaís E. Silva; Eliane C. P. Rego; Gabriela F. Moreira; Wagner Wollinger; Janaína M. Rodrigues

How to cite this article

 

Certified reference materials (CRM) can ensure metrological traceability of measurement results to the international system of units (SI). The certification procedure includes material characterization, homogeneity and stability studies, and uncertainties estimation, as exemplified for the metronidazole CRM, second Brazilian CRM of an active pharmaceutical ingredient (API)

https://dx.doi.org/10.1590/S0103-50532012000300009

Published online: January 10, 2012

 

Share PDF

Total access: 1360


J. Braz. Chem. Soc. 2012, 23(3), 445-452

LC, LC-MS/MS Studies for the Identification and Characterization of Degradation Products of Hydrochlorothiazide and Establishment of Mechanistic Approach towards Degradation

Anand Avinash Mahajan; Anil Keshavlal Thaker; Krishnapriya Mohanraj

How to cite this article

 

Selective LC-MS compatible stability indicating method was developed and validated. Degradants were characterized by LC-MS/MS. Fragmentation pattern and mechanism of degradation was established for hydrochlorothiazide

https://dx.doi.org/10.1590/S0103-50532012000300010

Published online: January 10, 2012

 

Share PDF

Total access: 1345


J. Braz. Chem. Soc. 2012, 23(3), 453-460

Quantification of Autoantibodies to Annexin V in Plasma by an "In House" Sandwich ELISA

Héctor F. Pelusa; María de los Angeles Valdés; Stella M. Daniele; Adriana M. Almará; María J. Svetaz; Mariela Bearzotti; Cecilia V. Paparella; Beatriz R. Bouvet; Sergio A. Ghersevich; Sandra M. Arriaga

How to cite this article

 

Validation of a simple and sensitive method for quantification of autoantibodies to annexin V in plasma with high reproducibility and reliability. Calibration curves for IgG and IgM isotypes were obtained by plotting optical density vs. concentration of the calibrators used (5, 15, 30, 40 and 80 U mL-1) in a semilogarithmic scale

https://dx.doi.org/10.1590/S0103-50532012000300011

Published online: January 10, 2012

 

Share PDF

Total access: 1248


J. Braz. Chem. Soc. 2012, 23(3), 461-467

Short-Term Toxicity Test: Monitoring Klebsiella oxytoca Bacterium Respiration using a Flow Injection Analysis/Conductometric System

José R. Guimarães; Carolina R. T. Farah; Pedro S. Fadini

How to cite this article

 

The Klebsiella oxytoca bacterium was used as a test organism in toxicity evaluations of metals (Hg2+, Cd2+ and Cu2+) and detergents (Laborhex 2 and Riodeine Degermant). The inhibition of bacterial growth was quantified by flow injection analysis (FIA) via conductometric measurements of the CO2 produced during respiration

https://dx.doi.org/10.1590/S0103-50532012000300012

Published online: January 17, 2012

 

Share PDF

Total access: 1357


J. Braz. Chem. Soc. 2012, 23(3), 468-472

Determination of Ursolic Acid and Ursolic Acid Lactone in the Leaves of Eucalyptus tereticornis by HPLC

Anupam Maurya; Santosh Kumar Srivastava

How to cite this article

 

A validated RP-HPLC method developed for the simultaneous quantification of ursolic acid (UA) and ursolic acid lactone (UAL) in the leaf extract of E. tereticornis with excellent precision, accuracy, linearity. This method can be routinely used for the analysis of UA and UAL in the extracts and formulations containing E. tereticornis leaves

https://dx.doi.org/10.1590/S0103-50532012000300013

Published online: January 24, 2012

 

Share PDF

Total access: 1306


J. Braz. Chem. Soc. 2012, 23(3), 473-481

Determination of Mesalamine by Spectrofluorometry in Human Serum after Solid.Phase Extraction with Ni-Al Layered Double Hydroxide as a Nanosorbent

Hossein Abdolmohammad-Zadeh; Solmaz Kohansal

How to cite this article

 

The effect of pH upon the retention of mesalamine (5-aminosalicylic acid) on the Ni-Al (NO3-) layered double hydroxide as a nanosorbent in solid-phase extraction system is shown. The highest extraction efficiency was achieved between pH 4 and 9

https://dx.doi.org/10.1590/S0103-50532012000300014

Published online: January 24, 2012

 

Share PDF

Total access: 1526


J. Braz. Chem. Soc. 2012, 23(3), 482-487

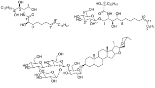
Ceramides and Cytotoxic Constituents from Ficus glumosa Del. (Moraceae)

Frédéric Nana; Louis Pergaud Sandjo; Félix Keumedjio; Pantaléon Ambassa; Rizwana Malik; Victor Kuete; Vincent Rincheval; Muhammad Iqbal Choudhary; Bonaventure Tchaleu Ngadjui

How to cite this article

 

Structures of new phytoceramides and the most cytotoxic compound (saponine) isolated from Ficus glumosa (Moraceae)

https://dx.doi.org/10.1590/S0103-50532012000300015

Published online: January 24, 2012

 

Share PDF

Total access: 1421


J. Braz. Chem. Soc. 2012, 23(3), 488-495

Determination of Bromine, Fluorine and Iodine in Mineral Supplements using Pyrohydrolysis for Sample Preparation

Ticiane Taflik; Fábio A. Duarte; Éder L. M. Flores; Fabiane G. Antes; José N. G. Paniz; Érico M. M. Flores; Valderi L. Dressler

How to cite this article

 

Pyrohydrolysis was employed for mineral supplements decomposition prior to F, Br and I determination by potentiometry (F) and inductively coupled plasma mass spectrometry (Br and I)

https://dx.doi.org/10.1590/S0103-50532012000300016

Published online: January 24, 2012

 

Share PDF

Total access: 1333


J. Braz. Chem. Soc. 2012, 23(3), 496-504

Volatile Organic Compound Emissions from a Landfill, Plume Dispersion and the Tropospheric Ozone Modeling

Sérgio M. Corrêa; Carolina V. de Souza; Eduardo D. Sodré; Jorgina R. Teixeira

How to cite this article

 

Volatile organic compound (VOCs) emissions from a landfill soil. Sampling with flow chamber method with later plume dispersion modeling and impact on tropospheric ozone formation

https://dx.doi.org/10.1590/S0103-50532012000300017

Published online: January 24, 2012

 

Share PDF   Supplementary Information 

Total access: 2567


J. Braz. Chem. Soc. 2012, 23(3), 505-512

Electrodeposition of ZnO from DMSO Solution: Influence of Anion Nature and its Concentration in the Nucleation and Growth Mechanisms

Gonzalo Riveros; Daniel Ramírez; Alejandra Tello; Ricardo Schrebler; Rodrigo Henríquez; Humberto Gómez

How to cite this article

 

The influence of different anions and their concentration on the characteristics of ZnO electrodeposits were studied in dimethylsulfoxide (DMSO) medium. Changes in the nucleation and growth mechanism during the electrochemical process are directly related to the electrolytic solution composition

https://dx.doi.org/10.1590/S0103-50532012000300018

Published online: January 26, 2012

 

Share PDF

Total access: 1401


J. Braz. Chem. Soc. 2012, 23(3), 513-521

Topological Study of the First Step of Nucleophilically Unassisted Solvolysis of Protonated 2-Endo/Exo-Norbornanol and Protonated 2-Endo/Exo-Oxabicycloheptanol

Caio L. Firme

How to cite this article

 

Representation of critical points of the PES of the first step of the nucleophilically unassisted solvolysis of protonated 2-endo- and 2-exo-norbornanol as optimized geometries (1-GS, 2-GS, 2-norbornyl cation and water) and molecular graphs (1-TS and 2-TS)

https://dx.doi.org/10.1590/S0103-50532012000300019

Published online: January 26, 2012

 

Share PDF   Supplementary Information 

Total access: 2479


J. Braz. Chem. Soc. 2012, 23(3), 522-530

RP TLC-Based Lipophilicity Assessment of Some Natural and Synthetic Coumarins

El Hadi M. A. Rabtti, Maja M. Natić, Dušanka M. Milojković-Opsenica, Jelena Đ. Trifković, Ivan M. Vučković, Vlatka E. Vajs and Živoslav Lj. Tešić

How to cite this article

 

The lipophilic character of twelve coumarins was investigated by reversed-phase thin-layer chromatography (RP TLC) on RP-18 silica. Two lipophilicity parameters (RM0 and log POW) together with 2D molecular descriptors were subjected the multivariate statistical analysis (principal component analysis (PCA) and partial least square (PLS) regression) in order to reveal the most influential factors governing the retention, i.e., lipophilicity of the investigated compounds

https://dx.doi.org/10.1590/S0103-50532012000300020

Published online: January 31, 2012

 

Share PDF   Supplementary Information 

Total access: 2870


J. Braz. Chem. Soc. 2012, 23(3), 531-537

Self-Assembled Films from Chitosan and Poly(Vinyl Sulfonic Acid) on Nafion® for Direct Methanol Fuel Cell

Leonardo Vinhola; Tiago Facci; Luis G. Dias; Dayse C. de Azevedo; Galina Borissevitch; Fritz Huguenin

How to cite this article

 

Layer-by-Layer films from chitosan and poly(vinyl sulfonic acid) deposited onto Nafionr membranes for direct methanol fuel cells, targeting the reduced methanol crossover and the avoidance of significant increase in the proton resistance

https://dx.doi.org/10.1590/S0103-50532012000300021

Published online: January 31, 2012

 

Share PDF   Supplementary Information 

Total access: 2383


J. Braz. Chem. Soc. 2012, 23(3), 538-545

Method Development for 234U and 230Th Determination and Application to Fossil Deep-Water Coral and Authigenic Carbonate Dating from the Campos Basin - Brazil

Ronaldo J. Vivone; Maria Luiza D. P. Godoy; José Marcus Godoy; Guaciara M. Santos

How to cite this article

 

Deep-sea fossil coral sample, Lophelia pertusa, taken from Campos Basin sediment cores. These fossils coral occur buried in the sediments as a sequence of appearance/disappearance, ages on the range of 9 to 202 kyears were obtained applying 230Th/234U and 14C dating

https://dx.doi.org/10.1590/S0103-50532012000300022

Published online: January 31, 2012

 

Share PDF

Total access: 1268


J. Braz. Chem. Soc. 2012, 23(3), 546-554

Fast Direct Determination of Titanium Dioxide in Toothpastes by X-Ray Fluorescence and Multivariate Calibration

Nicolas V. Schwab; José Augusto Da-Col; Juliana Terra; Maria Izabel M. S. Bueno

How to cite this article

 

Figure shows the steps for determining TiO2 in toothpastes, after the calibration model is ready to be used. Figure translates associated aspects of the developed method as a green chemistry strategy, with minimal sample manipulation and high sample throughput

https://dx.doi.org/10.1590/S0103-50532012000300023

Published online: January 31, 2012

 

Share PDF

Total access: 1300


J. Braz. Chem. Soc. 2012, 23(3), 555-564

Development of Plurimetallic Electrocatalysts Prepared by Decomposition of Polymeric Precursors for EtOH/O2 Fuel Cell

Lívia M. Palma; Thiago S. Almeida; Adalgisa R. de Andrade

How to cite this article

 

This article describes the preparation and application of plurimetallic catalysts that can be applied in direct ethanol fuel cell. The effect of mixed catalysts in the efficiency of oxidation of ethanol in fuel cell operation conditions is discussed

https://dx.doi.org/10.1590/S0103-50532012000300024

Published online: January 31, 2012

 

Share PDF

Total access: 1410


J. Braz. Chem. Soc. 2012, 23(3), 565-572

Cyclic Voltammetry and Computational Chemistry Studies on the Evaluation of the Redox Behavior of Parabens and other Analogues

Eric de S. Gil; Carolina H. Andrade; Núsia L. Barbosa; Rodolpho C. Braga; Sílvia H. P. Serrano

How to cite this article

 

Correlation between chain length, electron density and anodic potential

https://dx.doi.org/10.1590/S0103-50532012000300025

Published online: January 31, 2012

 

Share PDF

Total access: 1477


J. Braz. Chem. Soc. 2012, 23(3), 573-580

Evaluation of Inductively Coupled Plasma Mass Spectrometry for Determining Ca, Cu, Fe, Mg, Mn, Se and Zn in Bovine Semen Samples using a Simple Sample Dilution Method

Giovanna F. M. Aguiar; Bruno L. Batista; Jairo L. Rodrigues; Pedro O. Luccas; Fernando Barbosa Jr.

How to cite this article

 

A dilute-and-shoot procedure for trace element determination in bovine semen samples by inductively coupled plasma spectrometry (ICP-MS)

https://dx.doi.org/10.1590/S0103-50532012000300026

Published online: February 2, 2012

 

Share PDF

Total access: 1399

Online version ISSN 1678-4790 Printed version ISSN 0103-5053
Journal of the Brazilian Chemical Society
JBCS Editorial and Publishing Office
University of Campinas - UNICAMP
13083-970 Campinas-SP, Brazil

Free access

GN1