JBCS

13:24, Sat Nov 29

Open Access/APCs

First slide
Second slide
Third slide
Third slide
Fifth slide
Sixth slide

vol. 22, No. 6, 2011, p. 1005-1191

 

The Importance of Protection and Transferring of Academic Research Results

Over the three last decades there has been an increasing global effort in order to establish public policies, regulatory frameworks, plans and initiatives to stimulate public-private partnerships in order to enhance the economic and social development arising from the intensive use of knowledge, science and technology.

(Read more at Editorial)



Editorial J. Braz. Chem. Soc. 2011, 22(6), 1005-1008

The Importance of Protection and Transferring of Academic Research Results

Patricia Tavares Magalhães de Toledo; Roberto de Alencar Lotufo

How to cite this article

 

https://dx.doi.org/10.1590/S0103-50532011000600001

Total access: 1625


Articles J. Braz. Chem. Soc. 2011, 22(6), 1009-1014

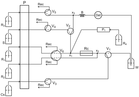
Turbidimetric Determination of Sulfate in Rainwater Employing a LED Based Photometer and Multicommuted Flow Analysis System with In-Line Preconcentration

Néstor Zárate; Ricardo Pérez-Olmos; Boaventura Freire dos Reis

How to cite this article

 

Diagram of the multicommuted flow system showed in the standby condition. Under this configuration, all solutions are pumped back to their storing vessels, resource used to save reagent solution.

https://dx.doi.org/10.1590/S0103-50532011000600002

Published online: February 10, 2011

 

Share PDF

Total access: 1284


J. Braz. Chem. Soc. 2011, 22(6), 1015-1023

Purification, Characterization and Structural Determination of UDP-N-Acetyl-glucosamine Pyrophosphorylase Produced by Moniliophthora perniciosa

Manoelito C. Santos Junior; Priscila A. Gonçalves; Alex G. Taranto; Maria G. B. Koblitz; Aristóteles Góes-Neto; Carlos P. Pirovani; Júlio C. M. Cascardo; Sandra H. da Cruz; Russolina B. Zingali; Gonçalo A. G. Pereira; Cristiano V. Dias; Sandra A. de Assis

How to cite this article

 

Model of UDP-N-acetylglucosamine pyrophosphorylase from M. perniciosa constructed by comparative modeling show 13 alpha helix (region in yellow) and 24 beta sheets (region in red).

https://dx.doi.org/10.1590/S0103-50532011000600003

Published online: February 10, 2011

 

Share PDF   Supplementary Information 

Total access: 6045


J. Braz. Chem. Soc. 2011, 22(6), 1024-1032

Sensitive Single Step Fluorimetric Method for Monitoring Solid-Phase Reactions on Polystyrene Resin-Bound Chloride Groups

Georgina E. Pina-Luis; Marco A. Zazueta Gómez; Ignacio A. Rivero Espejel; Marta E. Díaz-García

How to cite this article

 

Fluorescence measurements obtained directly from the solid phase at different reaction time. A simple, non-destructive and low cost method to evaluate the reaction progress, study the reaction kinetic and determine the resin loading.

https://dx.doi.org/10.1590/S0103-50532011000600004

Published online: February 10, 2011

 

Share PDF

Total access: 1211


J. Braz. Chem. Soc. 2011, 22(6), 1033-1039

Diclofenac Abatement using Modified Solar Photo-Fenton Process with Ammonium Iron(III) Citrate

Alam G. Trovó; Raquel F. P. Nogueira

How to cite this article

 

Diclofenac oxidation efficiency decreased as pH increased, however significant oxidation was obtained at pH 6 and 7 using ammonium iron (III) citrate, achieving 77% and 62% after only 10 min, respectively.

https://dx.doi.org/10.1590/S0103-50532011000600005

Published online: February 10, 2011

 

Share PDF

Total access: 1274


J. Braz. Chem. Soc. 2011, 22(6), 1040-1049

Determination of Metal Impurities in Carbon Nanotubes by Direct Solid Sampling Electrothermal Atomic Absorption Spectrometry

Paola A. Mello; Luiz Frederico Rodrigues; Matheus A. G. Nunes; Julio Cezar P. Mattos; Edson I. Müller; Valderi L. Dressler; Erico M. M. Flores

How to cite this article

 

Metal impurities were determined by direct solid sampling electrothermal atomic absorption spectrometry (DSS-ET AAS). This method allowed the determination of eight elements with lower limits of detection and minimized reagent consumption and residue generation.

https://dx.doi.org/10.1590/S0103-50532011000600006

Published online: February 10, 2011

 

Share PDF   Supplementary Information 

Total access: 2217


J. Braz. Chem. Soc. 2011, 22(6), 1050-1055

Identification of (1R, 2S)-Grandisal and (1R, 2S)-Grandisol in Pissodes castaneus Male-Produced Volatiles: Evidence of a Sex Pheromone

Francisco A. Marques; Scheila R. M. Zaleski; Sonia M. N. Lazzari; Gustavo Frensch; Grece A. Senhorini; Beatriz H. L. N. S. Maia; Armin Tröger; Wittko Francke; Edson T. Iede; Kenji Mori

How to cite this article

 

Metal impurities were determined by direct solid sampling electrothermal atomic absorption spectrometry (DSS-ET AAS). This method allowed the determination of eight elements with lower limits of detection and minimized reagent consumption and residue generation.

https://dx.doi.org/10.1590/S0103-50532011000600007

Published online: February 15, 2011

 

Share PDF   Supplementary Information 

Total access: 2396


J. Braz. Chem. Soc. 2011, 22(6), 1056-1060

A Selective Flotation-Spectrophotometric Method for the Determination of Nickel using Dimethylglyoxime

Hamid Hashemi-Moghaddam

How to cite this article

 

Flotation of the Ni and dimethylglyoxime (D) complex at the aqueous solution and n-hexane interface. [NiD2]2- could form in alkaline medium and has very low solubility in water and organic phase.

https://dx.doi.org/10.1590/S0103-50532011000600008

Published online: February 15, 2011

 

Share PDF

Total access: 1312


J. Braz. Chem. Soc. 2011, 22(6), 1061-1067

A Flow-Batch Analyzer for UV-Vis Spectrophotometric Detection of Adulteration in Distilled Spirits

Elaine C. L. Nascimento; Mário C. U. Araújo; Roberto K. H. Galvão

How to cite this article

 

Automatic flow-batch analyzer for adulteration detection in distilled spirits. Components: electronic actuator, flow-batch chamber, magnetic stirrer, peristaltic pump, solenoid valves, microcomputer and UV-Vis spectrophotometer.

https://dx.doi.org/10.1590/S0103-50532011000600009

Published online: February 15, 2011

 

Share PDF

Total access: 1428


J. Braz. Chem. Soc. 2011, 22(6), 1068-1072

Simultaneous HPTLC Determination of Nabumetone and Paracetamol in Combined Tablet Dosage Form

Santosh V. Gandhi; Sandeep S. Ranher; Padmanabh B. Deshpande; Dixit K. Shah

How to cite this article

 

High performance thin layer chromatographic method (HPTLC) for analysis of nabumetone and paracetamol (silica gel 60 F254 as stationary phase and toluene:propanol-2:acetic acid; 8:2:0.1, v/v/v as mobile phase) in fixed dose combination has been developed.

https://dx.doi.org/10.1590/S0103-50532011000600010

Published online: February 15, 2011

 

Share PDF

Total access: 1160


J. Braz. Chem. Soc. 2011, 22(6), 1073-1081

A Green Method for Determination of Acid Number of Biodiesel

Matthieu Tubino; Juliana A. Aricetti

How to cite this article

 

Green and automatic potentiometric determination of biodiesel acid number: a fundamental parameter in biodiesel specification.

https://dx.doi.org/10.1590/S0103-50532011000600011

Published online: February 15, 2011

 

Share PDF

Total access: 1339


J. Braz. Chem. Soc. 2011, 22(6), 1082-1088

Scanning Electrochemical Microscopy: Study of the Deposition and Stripping Mechanism of Lead in the Presence of Copper

M. Fátima B. Sousa; E. M. S. Sanchez; Rodnei Bertazzoli

How to cite this article

 

SECM is a scanning probe microscopy (SPM) and operated by scanning or "rastering" an ultra-microelectrode (UME) over a surface to be investigated. UME is referred as "tip" and can be operated under amperometric or potentiometric conditions.

https://dx.doi.org/10.1590/S0103-50532011000600012

Published online: February 15, 2011

 

Share PDF

Total access: 1197


J. Braz. Chem. Soc. 2011, 22(6), 1089-1095

Crystal Structure, Supramolecular Self-Assembly and Interaction with DNA of a Mixed Ligand Manganese(II) Complex

Yun-Ming Sun; Feng-Ying Dong; Da-Qi Wang; Yan-Tuan Li

How to cite this article

 

The 3D supramolecular self-assembly architecture of the mixed ligand manganese(II) complex formed by π-π stacking interactions and hydrogen bonds.

https://dx.doi.org/10.1590/S0103-50532011000600013

Published online: February 17, 2011

 

Share PDF   Supplementary Information 

Total access: 2387


J. Braz. Chem. Soc. 2011, 22(6), 1096-1102

An HPLC-DAD Method to Quantification of Main Phenolic Compounds from Leaves of Cecropia Species

Geison M. Costa; Caroline F. Ortmann; Eloir P. Schenkel; Flávio H. Reginatto

How to cite this article

 

HPLC chromatogram of crude aqueous extract of Cecropia pachystachya leaves and the phenolic compounds identified

https://dx.doi.org/10.1590/S0103-50532011000600014

Published online: February 17, 2011

 

Share PDF

Total access: 1619


J. Braz. Chem. Soc. 2011, 22(6), 1103-1110

Characterization of the Interactions between Endocrine Disruptors and Aquatic Humic Substances from Tropical Rivers

Wander G. Botero; Luciana C. de Oliveira; Bruno B. Cunha; Lílian K. de Oliveira; Danielle Goveia; Julio Cesar Rocha; Leonardo F. Fraceto; André Henrique Rosa

How to cite this article

 

Studies of the interaction of disruptors endocrines with aquatic humic substances from tropical rivers indicate that AHS can strongly influence the transport and reactivity of endocrine disruptors in aquatic systems.

https://dx.doi.org/10.1590/S0103-50532011000600015

Published online: February 17, 2011

 

Share PDF

Total access: 2541


J. Braz. Chem. Soc. 2011, 22(6), 1111-1117

Chemical Constituents Isolated from the Bark of Guatteria blepharophylla (Annonaceae) and their Antiproliferative and Antimicrobial Activities

Emmanoel V. Costa; Francisco de Assis Marques; Maria Lúcia B. Pinheiro; Raquel M. Braga; Camila Delarmelina; Marta Cristina T. Duarte; Ana Lúcia T. G. Ruiz; Joao Ernesto de Carvalho; Beatriz H. L. N. S. Maia

How to cite this article

 

The chemical investigation of the bark G. blepharophylla afforded twelve compounds: two sesquiterpenes, one xanthone, a mixture of two steroids and seven isoquinoline alkaloids. Some of them could be considered chemotaxonomic markers of this genus.

https://dx.doi.org/10.1590/S0103-50532011000600016

Published online: February 17, 2011

 

Share PDF   Supplementary Information 

Total access: 1663


J. Braz. Chem. Soc. 2011, 22(6), 1118-1124

Hydrotreatment of Heavy Oil from Coal Liquefaction on Sulfided Ni-W Catalysts

Zhi-ping Lei; Li-juan Gao; Heng-fu Shui; Shi-biao Ren; Zhi-cai Wang; Kang-shi Gang

How to cite this article

 

NiMo/Al2O3 shows higher HDN and HDA activities towards the hydrogenation of heavy oil obtained from the direct coal liquefaction process, which are associated with crystallite size and reducibility of metal sulfide, the nature of active sites and acidity.

https://dx.doi.org/10.1590/S0103-50532011000600017

Published online: February 17, 2011

 

Share PDF

Total access: 1155


J. Braz. Chem. Soc. 2011, 22(6), 1125-1129

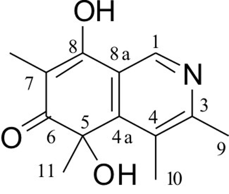
Citrinin Derivatives from the Soil Filamentous Fungus Penicillium sp. H9318

Guangmin Yao; Fred Musoke Sebisubi; Lok Yung Christopher Voo; Coy Choke Ho; Ghee Teng Tan; Leng Chee Chang

How to cite this article

 

Investigation of the microbial fermentation organic extract of Penicillim sp. led to the isolation of new isoquinolinone alkaloid, (5S)-3,4,5,7-tetramethyl-5,8-dihydroxyl-6(5H)-isoquinolinone. It has a carbon skeleton similar to citrinin.

https://dx.doi.org/10.1590/S0103-50532011000600018

Published online: February 22, 2011

 

Share PDF   Supplementary Information 

Total access: 2259


J. Braz. Chem. Soc. 2011, 22(6), 1130-1139

A New Approach for the Synthesis of Bioactive Heteroaryl Thiazolidine-2,4-diones

Magdy Ahmed Ibrahim; Mohamed Abdel-Megid Abdel-Hamed; Naser Mohamed El-Gohary

How to cite this article

 

Some new pyrazole, isoxazole, pyrimidine, pyridopyrimidine, benzodiazepine, pyridotriazepine, triazolothiadiazepine, triazinothiadiazepine, pyranopyrazoline and pyranopyrimidine derivatives linked thiazolidine-2,4-dione were prepared.

https://dx.doi.org/10.1590/S0103-50532011000600019

Published online: February 22, 2011

 

Share PDF   Supplementary Information 

Total access: 3137


J. Braz. Chem. Soc. 2011, 22(6), 1140-1149

Fast HPLC Analysis of Omeprazole, 5-Hydroxyomeprazole and Omeprazole Sulfone in Liquid Culture Medium using a Monolithic Column for Application in Biotransformation Studies with Fungi

Keyller B. Borges; Rosa Durán-Patrón; Antonio José M. Sánchez; Mônica T. Pupo; Pierina S. Bonato; Isidro G. Collado

How to cite this article

 

This figure shows the biotransformation process of omeprazole by phytopathogenic and endophytic fungi to obtain 5-hydroxyomeprazole and mainly omeprazole sulfone.

https://dx.doi.org/10.1590/S0103-50532011000600020

Published online: February 22, 2011

 

Share PDF

Total access: 1220


J. Braz. Chem. Soc. 2011, 22(6), 1150-1155

Quantitative Analysis of Plasticizers in a Wastewater Treatment Plant: Influence of the Suspended Solids Parameter

Nathália C. Viecelli; Eduardo R. Lovatel; Eduardo M. Cardoso; Irajá Nascimento Filho

How to cite this article

 

Di(2-ethylhexyl)phthalate (DEHP) and bisphenol A (BPA) were investigated in the wastewater treatment plant of the University of Caxias do Sul (WWTP-UCS). The average concentrations at the outflow point were 52.52 and 20.00 mg L-1, for BPA and DEHP, respectively.

https://dx.doi.org/10.1590/S0103-50532011000600021

Published online: February 22, 2011

 

Share PDF

Total access: 1117


J. Braz. Chem. Soc. 2011, 22(6), 1156-1163

Risk Simulation of Soil Contamination by Polycyclic Aromatic Hydrocarbons from Sewage Sludge used as Fertilizers

Lourival C. Paraíba; Sonia C. N. Queiroz; Débora R. C. de Souza; Maria L. Saito

How to cite this article

 

This work investigated the presence of PHA in sewage sludge and in soil with sewage sludge. Phenantrene was the most abundant compound detected in the samples.

https://dx.doi.org/10.1590/S0103-50532011000600022

Published online: February 22, 2011

 

Share PDF   Supplementary Information 

Total access: 2706


J. Braz. Chem. Soc. 2011, 22(6), 1164-1169

Determination of Some Inorganic Species of Fe, Mn and Cr by Chemical Vapor Generation Hyphenated with Inductively Coupled Plasma Atomic Emission Spectrometry

Maja Welna; Joanna Lasowska; Wieslaw Zyrnicki

How to cite this article

 

Generation of volatile species (CVG) from different ions (including cations and anions) of transition metals in the acidic media by reaction with sodium tetrahydroborate reductant using ICP OES as detection method was presented.

https://dx.doi.org/10.1590/S0103-50532011000600023

Published online: February 22, 2011

 

Share PDF

Total access: 1142


J. Braz. Chem. Soc. 2011, 22(6), 1170-1176

Electrically Conductive Bioplastics from Cassava Starch

Alvaro A. Arrieta; Piedad F. Gañán; Samith E. Márquez; Robin Zuluaga

How to cite this article

 

The conducting biofilms (CBs) synthesized from cassava starch, mixed with GLY, GLU, PEG and LiClO4 in different proportions showed high values of conductivity and morphological and molecular differences. So, CBs, make up a new and environmentally, friendly technology and with big potential.

https://dx.doi.org/10.1590/S0103-50532011000600024

Published online: February 22, 2011

 

Share PDF

Total access: 1224


J. Braz. Chem. Soc. 2011, 22(6), 1177-1182

Biotransformation of Sclareolide by Filamentous Fungi: Cytotoxic Evaluations of the Derivatives

Arturo Cano; María Teresa Ramírez-Apan; Guillermo Delgado

How to cite this article

 

Incubation of sclareolide with eight different fungi species in two different media, afforded six different compounds, four of which were found to be new substances. Cytotoxic evaluation of the compounds indicated that two compounds displayed activity against several cancer cell lines.

https://dx.doi.org/10.1590/S0103-50532011000600025

Published online: February 24, 2011

 

Share PDF   Supplementary Information 

Total access: 2439


J. Braz. Chem. Soc. 2011, 22(6), 1183-1191

Effect of Confinement of Anionic Organic Ultraviolet Ray Absorbers into Two-dimensional Zinc Hydroxide Nitrate Galleries

Ana Cristina T. Cursino; Antonio Salvio Mangrich; José Eduardo F. da Costa Gardolinski; Ney Mattoso; Fernando Wypych

How to cite this article

 

Organic ultraviolet ray absorbers were intercalated into zinc hydroxide nitrate, either by direct alkaline co-precipitation or topotactic exchange reactions. After the intercalation, the UV absorption capacity was similar to that of the solid salts and acids, the effect being attributed to the confinement of the anionic species in the host two-dimensional gallery.

https://dx.doi.org/10.1590/S0103-50532011000600026

Published online: April 14, 2011

 

Share PDF

Total access: 2003

Online version ISSN 1678-4790 Printed version ISSN 0103-5053
Journal of the Brazilian Chemical Society
JBCS Editorial and Publishing Office
University of Campinas - UNICAMP
13083-970 Campinas-SP, Brazil

Free access

GN1